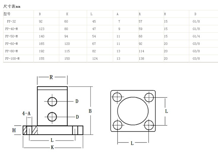
產品名稱:(質保兩年)活塞往復氣動振動器 FP-32 FP-40-MFP-50-M FP-60-M FP-80-M FP-100-M全系列
產品說明:

(飛馳 FEICHIAN )
活塞往復氣動振動器 直線 左右振動 上下振動 可任意角度安裝,耗氣少。
性能穩定,振動力和頻率均可調
FP32 FP-40-M FP-50-M FP- 60-M FP-80-M FP-100-M全系列


為了要達到振動的精密度,為此我們建立了一套完整的品控體系

活塞往復振動器FP32/40M/50/FP-60-M/80M/100M