產品名稱:(直線,左右運動)FP-40-M氣動震動器FP60-M FP80-M 活塞振動器FP-100-M
產品說明:
(寧波飛馳 FEICHIAN 品牌)
活塞往復氣動振動器 直線 左右振動 上下振動 可任意角度安裝,耗氣少,
振動力和頻率可調
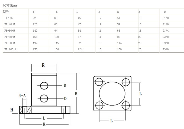
FP32 FP-40-M FP-50-M FP- 60-MFP-80-MFP-100-M全系列
特點:
1、在空間任意方向安裝使用。
2、在管路上加節流閥可調頻。
3、使用方便,只需用一根通氣管即可。
4、振動力大。
5、壽命長。
6、材質氧化合金。


活塞振動器FP32/40M/50M/FP60M/80M/100M